Modularization approach for large-scale electrolysis systems: a review
Abstract
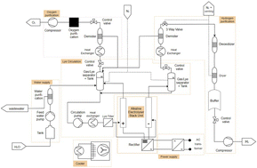
According to the current state of research and development, it is not possible to build a gigawatt electrolysis system with one single electrolysis stack. To achieve larger capacities, a numbering-up of the stacks and corresponding adjacent systems must take place. This is where modularization can contribute. To identify a functional decomposition into modules for each system, the literature was searched for PFDs (Process Flow Diagram) and P&IDs (Piping and Instrumentation Diagram). The PFDs and P&IDs found were compared per electrolysis technology to create a generic PFD in each case. This was submitted to experts within the VDMA Power-to-X for Applications (P2X4A) platform for verification and revised according to the information provided by the experts. The results is a generic module decomposition for each technology, Alcaline Electrolysis–AEL, Proton Exchange Membrane Electrolysis–PEMEL and High Temperature Electrolysis–HTEL.

Please wait while we load your content...